绝缘环网柜系列
SRM-12全封闭全绝缘充气式环网开关设备
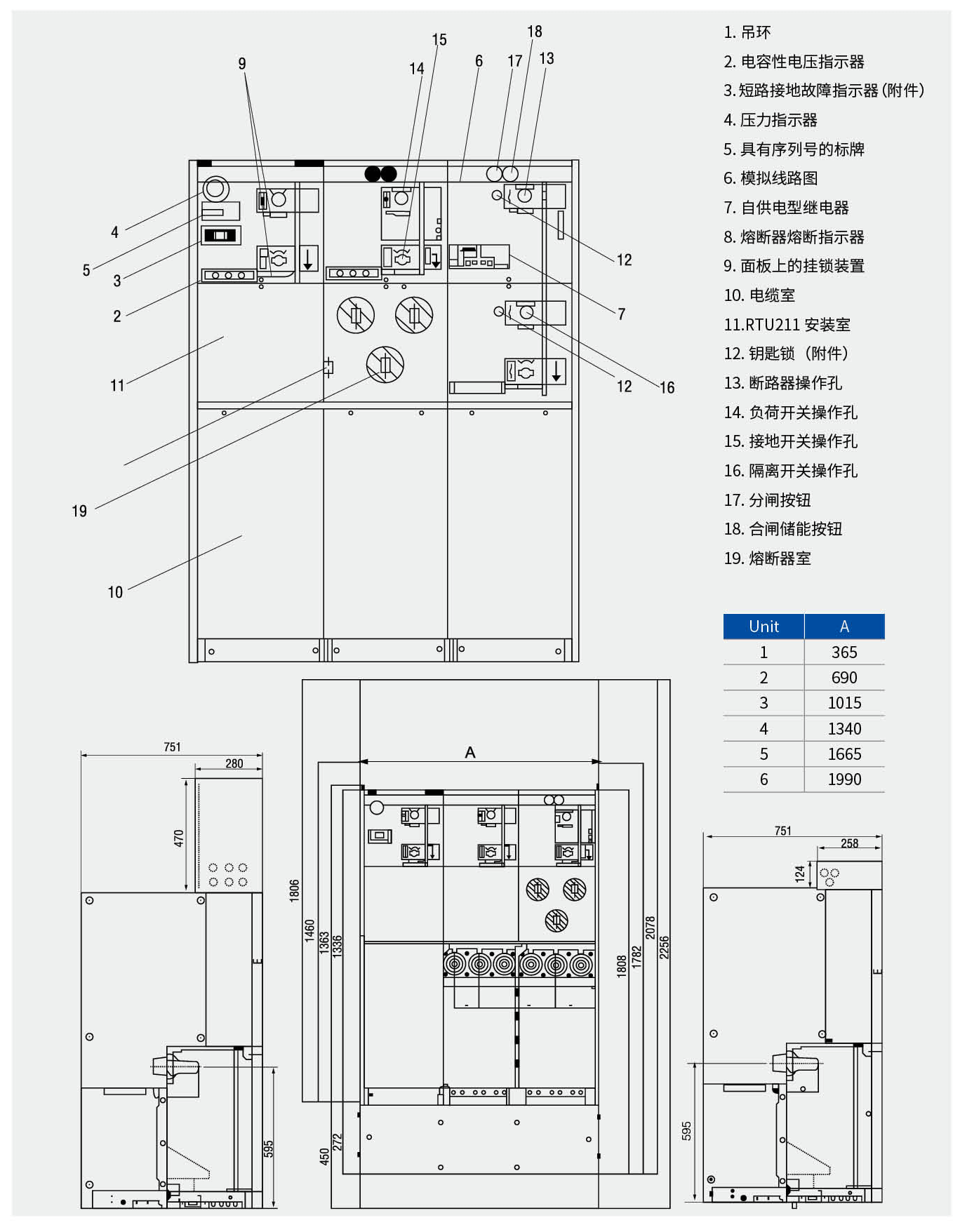
SRM☐-12全封闭全绝缘充气式环网开关设备,已经通过国家高压电器试验中心型式试验。产品厂泛用于OkV/6kV配电系统,是城乡各类用户变配电系统的首选开关产品。开关柜为模块化单元模式,可根据不同用途进行组合;由固定式单元组合与可扩展型单元两大类,满足各种变电站对紧凑型开关柜灵活使用的需要。SRM口-12全封闭全绝缘充气式环网开关设备是一个完全密封的系统,其所带电部件以及开关封闭在不锈钢的本体内。整个开关装置不受外部环境条件影响,从而可以确保运行可靠性及人身安全。并且实现了免维护。通过选择可扩展母线,可以实现任何组合,达到全模块化。扩展母线安全绝缘和屏蔽,确保了可靠性和安全性。NSSRM☐-12全封闭全绝缘充气式环网开关设备同时可以提供TV化的自动化解决方案,形成了智能化开关的概念,并将现场安装及调试工作量降到最低。SRM口-12全封闭全绝缘充气式环网开关设备分为非扩展标准配置和可扩展标准配置。由于具有全模块和半模块的组合性以及自可扩展性,因而具有极特殊的灵活性。SRM☐-12全封闭全绝缘充气式环网开关设备执行GB标准。在室内条件下(20℃)运行的设计寿命超过30年。
SRM-12全封闭全绝缘充气式环网开关设备
SRM-12全封闭全绝缘充气式环网开关设备
产品详情

1.png2.png3.png

返回顶部
Copyright © 2022浙江五湖电力设备有限公司 All Rights Reserved. 备案号:浙ICP备2022027700号
浙江五湖电力设备有限公司

0577-61719608

(联系电话 7×24)